This product has been replaced by the following new product: M-230 High-Resolution Linear Actuator, DC or Stepper Motor

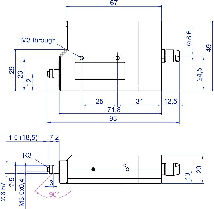
M-232 High-Resolution Linear Actuator with DC Motor

Compact due to Folded Drive

  • Travel range 17 mm
  • Minimum incremental motion 0.1 µm
  • Velocity up to 1.5 mm/s
  • Closed-loop DC motor
  • MTBF >5000 h
M-232 High-Resolution Linear Actuator with DC Motor
Product Description Specifications Downloads Quote / Order

Compact precision-class linear drive

High-resolution linear actuator, DC motor. Compact design due to folded drive. Rotating tip, rotating pusher. Position-controlled DC motors with a gearhead and high-resolution rotary encoders allow for incremental motion and repeatability of just 100 nm

Fits on the M-105 microtranslation stage.

High-quality components

Extremely low-friction and backlash-free construction. Noncontact limit switches protect the mechanics. Position-controlled variants with differential encoder driver in the connector for safe signal transfer over distances up to 10 m

Application fields

Precision alignment, motorized alternative for micrometer screws.

Specifications

This content is only available on tablets or desktop devices.

Downloads

Documentation

Documentation

Short Instructions MP122EK

Linear Actuators: M-168 / M-22x / M-23x

Version / Date
6.1.0 03/2025
pdf - 199 KB
Version / Date
6.1.0 03/2025
pdf - 207 KB
Documentation

User Manual MP105

M-232 Compact High-Resolution Linear Actuator

Version / Date
1.2 2020-08-31
pdf - 942 KB
Version / Date
1.2 2020-08-31
pdf - 1 MB

3D Models

3D Models

M-232 3-D model

zip - 94 KB

Quote / Order

Ask for a free quote on quantities required, prices, and lead times or describe your desired modification.

M-232.17

High-resolution linear actuator with DC motor; DC gear motor; 17 mm travel range; 40 N feed force; 1.5 mm/s maximum velocity; trapezoidal-threaded spindle; incremental rotary encoder, 2048 counts/rev. sensor resolution; limit switches: Hall effect; 0.5 m cable length

How to Get a Quote

Click on QUOTE / ORDER
Add variant to quote list
Fill out quote form
Send price request to PI
We will contact you shortly

Ask an engineer!

Quickly receive an answer to your question by email or phone from a local PI sales engineer.

Compatible Electronics Related Products Services