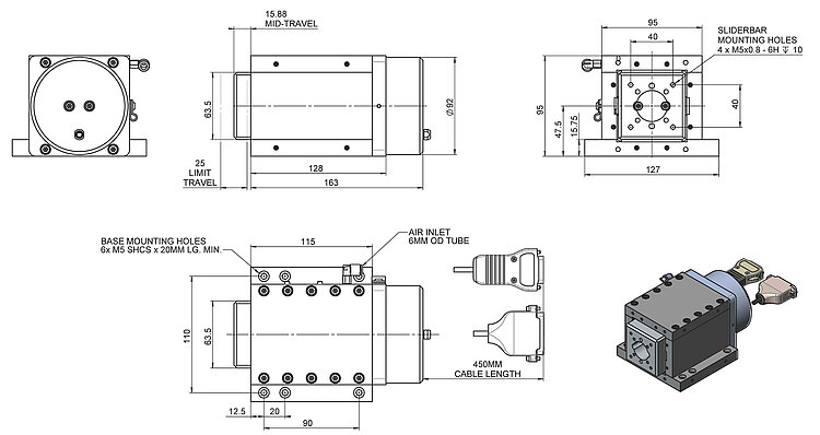
A-131 PIglide VC Voice Coil Linear Stage with Air Bearings

High-Performance Miniature Nanopositioning System

  • Ideal for scanning applications or high-precision positioning
  • Cleanroom compatible
  • Travel ranges to 25 mm
  • Load capacity to 30 N
  • Acceleration to 40 m/s2
A-131 PIglide VC Voice Coil Linear Stage with Air Bearings
Product Description Specifications Downloads Quote / Order

Product overview

The PIglide stage with air bearing and voice coil drive offers high velocity and acceleration in a compact package.

The contactless components of the motion platform ensure the highest performance, quality, and lifetime.

Voice Coil Drive Technology

Voice coil motors are direct drives. In direct drives, the force of the drive element is transmitted directly to the load to be moved without the use of mechanical transmission elements such as coupling, drive screw, or gearhead. Voice coil drives consist of a permanent magnet and a winding body that are located in the air gap of the magnetic field. When current flows through the winding body, it moves in the magnetic field of the permanent magnet. Thanks to their low weight and friction-free drive principle, voice coil drives are particularly suitable for applications that require high dynamics and high velocities at limited travel ranges. High scan frequencies and precision positioning are also possible with these drives, because they are free of the effects of hysteresis.

Accessories and options

  • PIglide filter and air preparation kits
  • Single and multi-axis motion controller

Application fields

High-speed scanning, applications in manufacturing.

Thanks to the friction-free motion, no particles are formed, which makes PIglide stages ideal for cleanroom applications.

Specifications

Datasheet

Datasheet A-131

Version / Date
2021-12-03
pdf - 519 KB
Version / Date
2021-12-03
pdf - 457 KB

Downloads

Datasheet

Datasheet

Datasheet A-131

Version / Date
2021-12-03
pdf - 519 KB
Version / Date
2021-12-03
pdf - 457 KB

Documentation

Documentation

User Manual A131D001

A-131 Series Voice Coil Linear Air Bearing Stage

Version / Date
1.1 2021-12-03
pdf - 862 KB
English

3D Models

3D Models

A-131 3-D model

zip - 1 MB

Quote / Order

Ask for a free quote on quantities required, prices, and lead times or describe your desired modification.

How to Get a Quote

Click on QUOTE / ORDER
Add variant to quote list
Fill out quote form
Send price request to PI
We will contact you shortly

Ask an engineer!

Quickly receive an answer to your question by email or phone from a local PI sales engineer.

Compatible Electronics Compatible Accessories Related Products