NEW

L-886 Compact and Versatile Goniometer

High-Performance and Cost-Efficient

  • Compact, stackable design with high flexibility: Thanks to its compact design and the ability to combine two goniometers with identical centers of rotation, the L-886 offers maximum flexibility for precise multichannel photonics alignment applications.
  • Cost-effective complete solution for demanding applications: Unlike comparable solutions, the system offers an attractively priced alternative while meeting requirements such as 24/7 operation, large formats, and industrial operating conditions.
  • Enhanced system compatibility and modern control integration: The system supports modern communication standards such as EtherCAT (e.g., with ACS controls) and can therefore easily be integrated into existing automated production environments.
L-886 Compact and Versatile Goniometer
Product Description Specifications Downloads Quote / Order

The L-886 is an accurate, cost-effective goniometer stage. It is based on a stepper motor combined with a linear measurement system for high accuracy. The L-886 is designed for cost conscious applications including micro assembly, component alignment, electronics manufacturing, and inspection.

  • Cost-effective solution, specifically designed for rapid alignment in multichannel photonics

  • Small, precise, and fast

Applications and use cases

  • Industrial Automation applications:

    • Micro component placement

  • Alignment applications:

    • Optical part alignment

Technology

The L-886 spindle-driven goniometer stages are ideally suited for industrial applications requiring high performance in a compact design. Their high performance is powered by high-resolution stepper motors, high-precision crossed roller guides, and precision linear encoders.

High-resolution 2-phase motors offer performance comparable to that of 5-phase stepper motors, but without the need for expensive drive electronics. Additional linear encoders provide high repeatability during operation.

Installation and usage

The goniometers can be mounted onto L-836 linear stages. The L-886 models are stackable for 2-axis motion. If an L-886.931232X is mounted onto an L-886.921232[X], the models will have a common center of rotation.

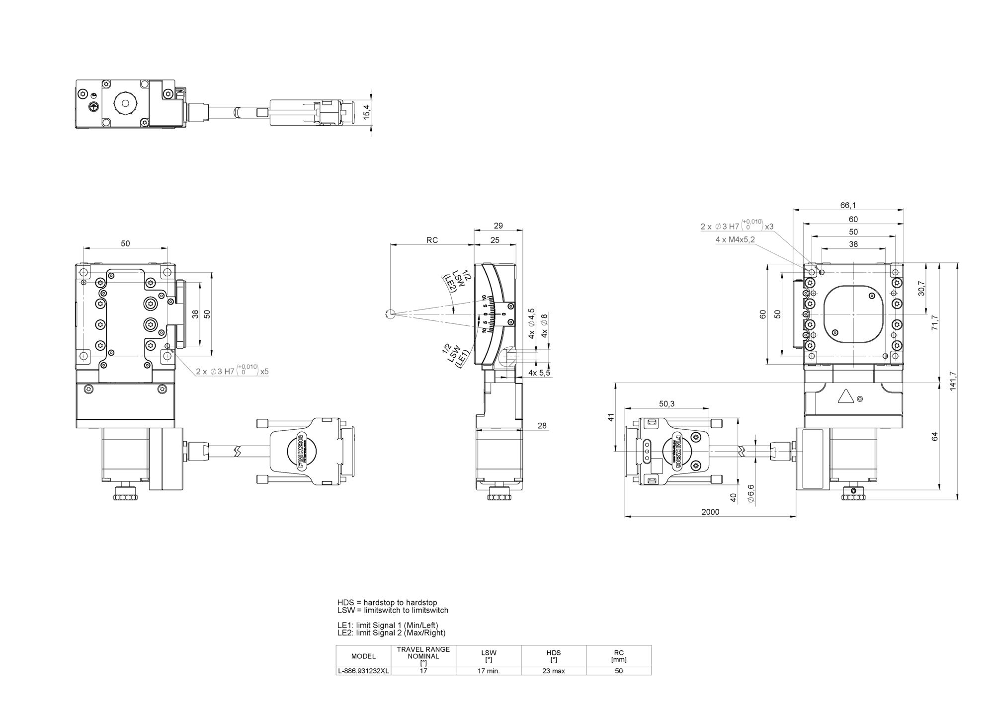
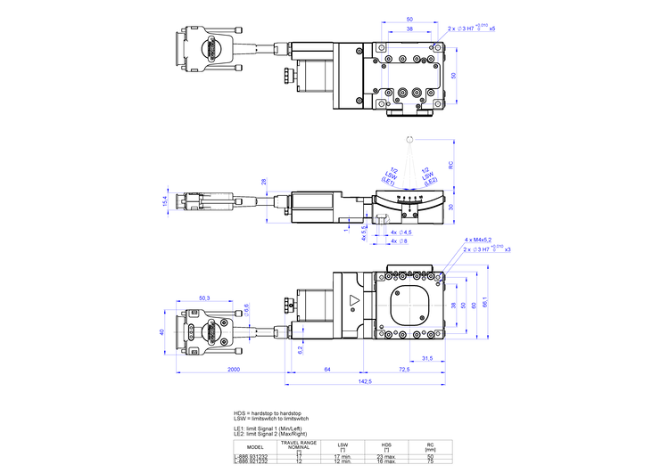
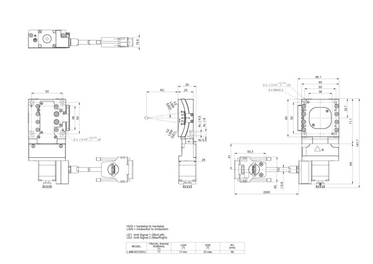
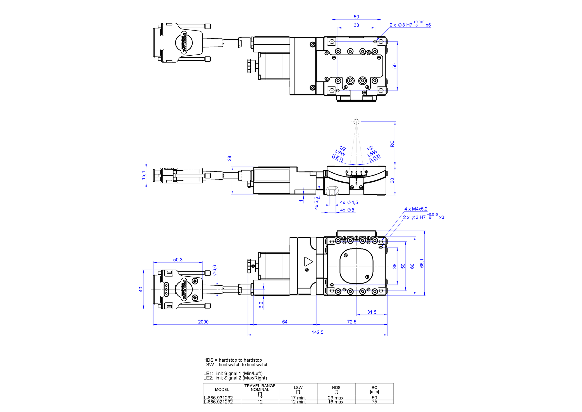
Specifications

Datasheet

Datasheet L-886

Version / Date
2026-04-20
pdf - 12 MB
Version / Date
2026-04-20
pdf - 12 MB

Downloads

Datasheet

Datasheet

Datasheet L-886

Version / Date
2026-04-20
pdf - 12 MB
Version / Date
2026-04-20
pdf - 12 MB

3D Models

3D Models

L-886 3D Model

zip - 5 MB

Ask for a free quote on quantities required, prices, and lead times or describe your desired modification.

Ordering information

L-886.921232 NEW!

Goniometer with flat contact surface; 2-phase stepper motor; 12° rotational angle; 35 N payload; 10 °/s maximum angular velocity; ball screw; incremental linear encoder, 0.8305 µrad sensor resolution, rotational, A/B quadrature, RS-422; magnetic limit switches

L-886.921232X NEW!

Goniometer for stacked systems; 2-phase stepper motor; 12° rotational angle; 35 N payload; 10 °/s maximum angular velocity; ball screw; incremental linear encoder, 0.8305 µrad sensor resolution, rotational, A/B quadrature, RS-422; magnetic limit switches

L-886.931232 NEW!

Goniometer with flat contact surface; 2-phase stepper motor; 17° rotational angle; 35 N payload; 10 °/s maximum angular velocity; ball screw; incremental linear encoder, 1.122 µrad sensor resolution, rotational, A/B quadrature, RS-422; magnetic limit switches

L-886.931232X NEW!

Goniometer for stacked systems; 2-phase stepper motor; 17° rotational angle; 35 N payload; 10 °/s maximum angular velocity; ball screw; incremental linear encoder, 1.122 µrad sensor resolution, rotational, A/B quadrature, RS-422; magnetic limit switches

L-886.931232XL NEW!

Goniometer for stacked systems; 2-phase stepper motor; 17° rotational angle; 35 N payload; 10 °/s maximum angular velocity; ball screw; incremental linear encoder, 1.122 µrad sensor resolution, rotational, A/B quadrature, RS-422; magnetic limit switches; cable exit angled, 90°, to the left

How to Get a Quote

Click on QUOTE / ORDER
Add variant to quote list
Fill out quote form
Send price request to PI
We will contact you shortly

Ask an engineer!

Quickly receive an answer to your question by email or phone from a local PI sales engineer.

Compatible Electronics Related Products