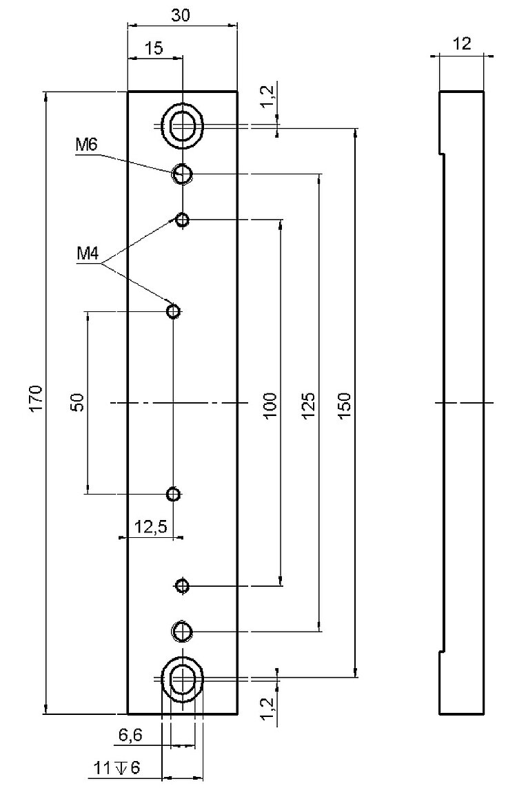
M-490.MS Set of Two

For Mounting M-405, M-410 and M-415 Stages on Honeycomb Table Tops etc.

  • (Metric and imperial)
M-490.MS Set of Two
Product Description Downloads Quote / Order

Downloads

Datasheet

Datasheet

Datasheet M-490.MS

Version / Date
2015-04-13
pdf - 680 KB
Version / Date
2015-04-13
pdf - 679 KB

Quote / Order

Ask for a free quote on quantities required, prices, and lead times or describe your desired modification.

Ask about custom designs!

How to Get a Quote

Click on QUOTE / ORDER
Add variant to quote list
Fill out quote form
Send price request to PI
We will contact you shortly

Ask an engineer!

Quickly receive an answer to your question by email or phone from a local PI sales engineer.